浙江多多28液压科技股份有限公司
多多28液压产品覆盖工程、农业、矿山、工业、环保和军工等各类车辆配套的液压阀、油缸

手机版 微官网 English


销售热线

技术热线:0576-85183757


多路阀系列

所在位置:首页 液压产品 > 多路阀系列 >


关键词:多路阀系列先导阀系列制动阀系列操纵阀系列农机阀系列转向阀系列

>

产品分类 Product Lists

全国服务热线:

0576-85182037

产品样册下载

销售电话:0576-85182037
技术电话:0576-85183757
传真号码:0576-85182843
联系邮箱:haihong@cn-hydraulic.com
公司地址:浙江省临海市江南街道金岭路199号


产品特点

  • 六通片式多路阀;

    紧凑的片式结构,可针对不同系统的需要组合相应的控制阀组;

    控制方式:手控、液控;

  • 回路形式:并联回路、串并联回路、串联回路;

    内泄漏小,压力损失小;

    通过一次、二次溢流阀保护系统。


应用领域

应用于叉车、挖掘机、农业机械、钻机、旋挖机、物流搬运机械、矿山机械等其他工程机械。

技术参数(对超出下述参数的应用场合,请与我公司联系)

概述

油口连接方式

螺栓连接

控制方式

六通回路/压力控制

安装方式

见典型外形图

通径 mm

15

阀杆行程 mm

7/7

液压

额定压力bar

中压型L ≤250

高压型H ≤300

允许最大回油背压bar

≤15

先导控制压力bar

≤35

先导控制曲线bar

6~90(三位)

液压油温度范围℃

-20~+100

粘度范围m2/s

10~460

油液允许的污染等级

-/19/16 (ISO4406:1999)

机械

重量

进油联 kg

3

换向联(标准液控联) kg

1.5

出油联 kg

2.5

阀芯复位力(无定位装置)N

≤160

阀芯允许的最大操作力

轴向力N

≤1000

径向力N

≤20

特性曲线

16

基本原理示意

17

换向联

常用原理图型号示例:

18

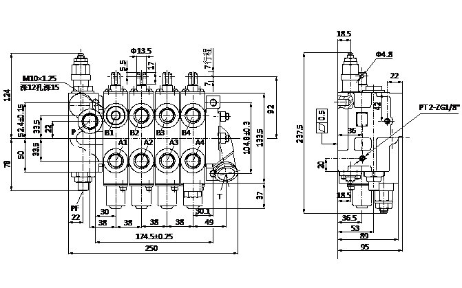
CDB2-F15系列典型外形图及其液压原理图

19 20

应用说明

CDB2-F15系列多路为比较典型的15通径多路阀,该阀进油联稳定分流一部分流量,供应转向系统使用;倾斜联带前倾自锁功能,当车辆熄火后误操作前倾手柄门架也不会前倾,提高了作业安全度。该系列多路阀整体结构紧凑,广泛应用于1-3.5T小型叉车、叉装机等各种工程车辆。

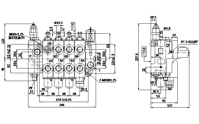
CDB3-F15系列典型外形图及其液压原理图

21 22

应用说明

目前国内的叉车液压系统,只要发动机开始工作提供泵来油,就能操作手柄来控制叉车门架的各种动作,当操作者暂时离开忘记熄火时,操作手柄门架仍能实现下降和前后倾功能,存在安全隐患。CDB3-F15系列多路阀通过在升降阀片设置电磁阀来控制叉车门架的下降;在回油联设置电磁阀来控制整个工作油路的供油状态,实现操作者存在感知功能,消除安全隐患。并且该多路阀进油片可集成优先阀,优先对转向器进行供油,转向不工作时油液全部去工作系统,能有效的降低能耗。该系列多路阀应用于1-3.5T叉车、小型叉装机等工程车辆。

WJ15系列典型外形图及其液压原理图

242528


应用说明

WJ15系列多路阀采用串并联结构,工作联可根据需求增加或减少。进油联上有主溢流阀,保护系统压力不超过设定值,工作联上还可设二次溢流阀,保护油缸。阀杆机能采用O或Y型,控制机能可采用手动或液控方式,复位机构可采用弹簧复位或钢球定位。该系列多路阀广泛应用于小型挖机、钻机、环保机械等小型车辆。

相关产品



多多28液压

销售热线:0576-85182037


技术热线:0576-85183757   传真号码:0576-85182843
联系邮箱:haihong@cn-hydraulic.com   公司地址:浙江省临海市江南街道金岭路199号

友情链接: 多路阀系列 先导阀系列 制动阀系列 操纵阀系列 农机阀系列 转向阀系列 Sitemap TXT Sitemap XML 网站地图

微信二维码
微信官网

手机端二维码
手机官网